Подшипник RAKY3/4 (INA)

Подшипник RAKY3/4 (INA)

Технические характеристики

Обозначение : RAKY3/4

Производитель : INA

Диаметр внутренний, мм : 19.05

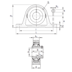
Технические данные из каталога производителя :

Внутренний диаметр (d) - 19.05 мм.

Размер (S1) - 18,288

Резьба (Q) - 1/4-28 UNF

Размер (A) - 32,004 мм.

Размер (A1) - 19,99 мм.

Размер (B) - 30,988 мм.

Размер (H) - 31,801 мм.

Размер (H1) - 13,005 мм.

Размер (H2) - 62,789 мм.

Размер (J) - 96,012 мм.

Размер (L) - 129,998

Размер (N) - 10,999 мм.

Размер (N1) - 8,992 мм.

Масса - 0,577 Кг

Количество дорожек качения - 1

Уплотнение - Есть

Цены указаны ознакомительные, для уточнения цены и наличия просим связаться с нами по телефону, или отправить заявку на почту - sales@specprompodshipnik.ru или по тел.: +7(499) 369-70-54

Возврат к списку