Подшипник RAKY1-1/4 (INA)

Подшипник RAKY1-1/4 (INA)

Технические характеристики

Обозначение : RAKY1-1/4

Производитель : INA

Диаметр внутренний, мм : 31.75

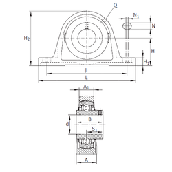
Технические данные из каталога производителя :

Внутренний диаметр (d) - 31.75 мм.

Размер (S1) - 25,4

Резьба (Q) - 1/8 NPT

Размер (A) - 46,508 мм.

Размер (A1) - 29,007 мм.

Размер (B) - 42,901 мм.

Размер (H) - 46 мм.

Размер (H1) - 17,399 мм.

Размер (H2) - 92,101 мм.

Размер (J) - 129,998 мм.

Размер (L) - 172,009

Размер (N) - 15,012 мм.

Размер (N1) - 7,9 мм.

Масса - 1,711 Кг

Количество дорожек качения - 1

Уплотнение - Есть

Цены указаны ознакомительные, для уточнения цены и наличия просим связаться с нами по телефону, или отправить заявку на почту - sales@specprompodshipnik.ru или по тел.: +7(499) 369-70-54

Возврат к списку