Подшипник RAK2-7/16 (INA)

Подшипник RAK2-7/16 (INA)

Технические характеристики

Обозначение : RAK2-7/16

Производитель : INA

Диаметр внутренний, мм : 61,913

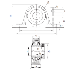
Технические данные из каталога производителя :

Внутренний диаметр (d) - 61,913 мм.

Размер (S1) - 46,889

Резьба (Q) - 1/8 NPT

Размер (d3) - 83,998 мм.

Размер (A) - 64,999 мм.

Размер (A1) - 46,99 мм.

Размер (B) - 77,902 мм.

Размер (H) - 68,301 мм.

Размер (H1) - 26,391 мм.

Размер (H2) - 138,405 мм.

Размер (J) - 189,256 мм.

Размер (L) - 245,009

Размер (N) - 18,009 мм.

Размер (N1) - 12,243 мм.

Масса - 5,539 Кг

Количество дорожек качения - 1

Уплотнение - Есть

Цены указаны ознакомительные, для уточнения цены и наличия просим связаться с нами по телефону, или отправить заявку на почту - sales@specprompodshipnik.ru или по тел.: +7(499) 369-70-54

Возврат к списку