Подшипник RAK1-3/16 (INA)

Подшипник RAK1-3/16 (INA)

Технические характеристики

Обозначение : RAK1-3/16

Производитель : INA

Диаметр внутренний, мм : 30,163

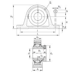
Технические данные из каталога производителя :

Внутренний диаметр (d) - 30,163 мм.

Размер (S1) - 30,201

Резьба (Q) - 1/8 NPT

Размер (d3) - 43,993 мм.

Размер (A) - 41,504 мм.

Размер (A1) - 26,01 мм.

Размер (B) - 48,489 мм.

Размер (H) - 39,701 мм.

Размер (H1) - 16,993 мм.

Размер (H2) - 80,493 мм.

Размер (J) - 117,247 мм.

Размер (L) - 157,15

Размер (N) - 15,012 мм.

Размер (N1) - 8,459 мм.

Масса - 1,252 Кг

Количество дорожек качения - 1

Уплотнение - Есть

Цены указаны ознакомительные, для уточнения цены и наличия просим связаться с нами по телефону, или отправить заявку на почту - sales@specprompodshipnik.ru или по тел.: +7(499) 369-70-54

Возврат к списку