Подшипник RAK1-11/16 (INA)

Подшипник RAK1-11/16 (INA)

Технические характеристики

Обозначение : RAK1-11/16

Производитель : INA

Диаметр внутренний, мм : 42,863

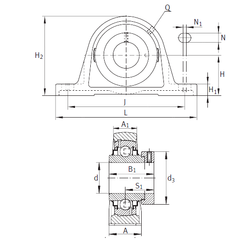
Технические данные из каталога производителя :

Внутренний диаметр (d) - 42,863 мм.

Размер (S1) - 35,103

Резьба (Q) - 1/8 NPT

Размер (d3) - 62,992 мм.

Размер (A) - 51,512 мм.

Размер (A1) - 35,002 мм.

Размер (B) - 56,49 мм.

Размер (H) - 52,401 мм.

Размер (H1) - 20,397 мм.

Размер (H2) - 105,41 мм.

Размер (J) - 148,489 мм.

Размер (L) - 194,996

Размер (N) - 14,301 мм.

Размер (N1) - 11,989 мм.

Масса - 2,427 Кг

Количество дорожек качения - 1

Уплотнение - Есть

Цены указаны ознакомительные, для уточнения цены и наличия просим связаться с нами по телефону, или отправить заявку на почту - sales@specprompodshipnik.ru или по тел.: +7(499) 369-70-54

Возврат к списку