Подшипник PTUEY25 (NKE)

Подшипник PTUEY25 (NKE)

Технические характеристики

Обозначение : PTUEY25

Производитель : NKE

Диаметр внутренний, мм : 25

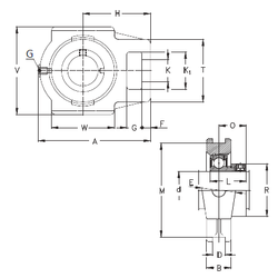
Технические данные из каталога производителя :

Внутренний диаметр (d) - 25 мм.

Размер (V) - 80

Размер (K1) - 32

Размер (O) - 19,5

Размер (A) - 98,5 мм.

Размер (B) - 25 мм.

Размер (D) - 12 мм.

Размер (E) - 37 мм.

Размер (F) - 10 мм.

Размер (G) - 18 мм.

Размер (H) - 62 мм.

Размер (K) - 19 мм.

Размер (L) - 27

Размер (M) - 76 мм.

Размер (T) - 51

Размер (W) - 50

Резьба (G) - R1/8“

Масса - 0,82 Кг

Количество дорожек качения - 1

Уплотнение - Есть

Цены указаны ознакомительные, для уточнения цены и наличия просим связаться с нами по телефону, или отправить заявку на почту - sales@specprompodshipnik.ru или по тел.: +7(499) 369-70-54

Возврат к списку