Подшипник PTUE60 (NKE)

Подшипник PTUE60 (NKE)

Технические характеристики

Обозначение : PTUE60

Производитель : NKE

Диаметр внутренний, мм : 60

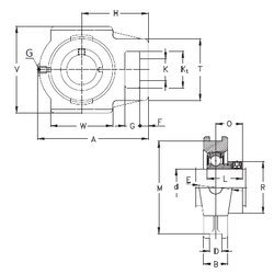
Технические данные из каталога производителя :

Внутренний диаметр (d) - 60 мм.

Размер (V) - 146

Размер (K1) - 63,5

Размер (O) - 39,6

Размер (A) - 186 мм.

Размер (B) - 44 мм.

Размер (D) - 22 мм.

Размер (E) - 60 мм.

Размер (F) - 19 мм.

Размер (G) - 32 мм.

Размер (H) - 118 мм.

Размер (K) - 35 мм.

Размер (L) - 53,1

Размер (M) - 130 мм.

Размер (R) - 84 мм.

Размер (T) - 102

Размер (W) - 100

Резьба (G) - R1/8“

Масса - 4,3 Кг

Количество дорожек качения - 1

Уплотнение - Есть

Цены указаны ознакомительные, для уточнения цены и наличия просим связаться с нами по телефону, или отправить заявку на почту - sales@specprompodshipnik.ru или по тел.: +7(499) 369-70-54

Возврат к списку