Подшипник PTUE60 (INA)

Подшипник PTUE60 (INA)

Технические характеристики

Обозначение : PTUE60

Производитель : INA

Диаметр внутренний, мм : 60

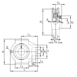
Технические данные из каталога производителя :

Внутренний диаметр (d) - 60 мм.

Размер (S1) - 39,6

Резьба (Q) - Rp1/8

Размер (L2) - 19

Размер (L3) - 100

Размер (d3) - 84 мм.

Размер (A) - 60 мм.

Размер (A1) - 22 мм.

Размер (B1) - 53,1 мм.

Размер (H) - 146 мм.

Размер (H1) - 130 мм.

Размер (L) - 186

Размер (L1) - 118 мм.

Размер (N) - 35 мм.

Размер (N1) - 32 мм.

Размер (T) - 102

Размер (A2) - 44

Размер (N2) - 63,5

Масса - 4,21 Кг

Грузоподъемность динамическая (C) - 52 кН

Грузоподъемность статическая (C0) - 36 кН

Количество дорожек качения - 1

Уплотнение - Есть

Цены указаны ознакомительные, для уточнения цены и наличия просим связаться с нами по телефону, или отправить заявку на почту - sales@specprompodshipnik.ru или по тел.: +7(499) 369-70-54

Возврат к списку