Подшипник PTUE55 (NKE)

Подшипник PTUE55 (NKE)

Технические характеристики

Обозначение : PTUE55

Производитель : NKE

Диаметр внутренний, мм : 55

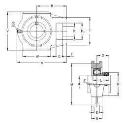
Технические данные из каталога производителя :

Внутренний диаметр (d) - 55 мм.

Размер (V) - 145

Размер (K1) - 63,5

Размер (O) - 36,4

Размер (A) - 169 мм.

Размер (B) - 42 мм.

Размер (D) - 22 мм.

Размер (E) - 60 мм.

Размер (F) - 17 мм.

Размер (G) - 26 мм.

Размер (H) - 104 мм.

Размер (K) - 35 мм.

Размер (L) - 48,4

Размер (M) - 130 мм.

Размер (R) - 76 мм.

Размер (T) - 102

Размер (W) - 95

Резьба (G) - R1/8“

Масса - 3,99 Кг

Количество дорожек качения - 1

Уплотнение - Есть

Цены указаны ознакомительные, для уточнения цены и наличия просим связаться с нами по телефону, или отправить заявку на почту - sales@specprompodshipnik.ru или по тел.: +7(499) 369-70-54

Возврат к списку