Подшипник PTUE30 (NKE)

Подшипник PTUE30 (NKE)

Технические характеристики

Обозначение : PTUE30

Производитель : NKE

Диаметр внутренний, мм : 30

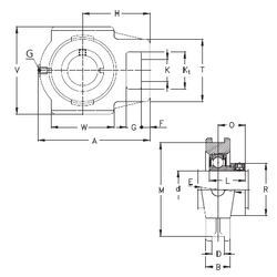
Технические данные из каталога производителя :

Внутренний диаметр (d) - 30 мм.

Размер (V) - 102

Размер (K1) - 36,5

Размер (O) - 26,7

Размер (A) - 114,5 мм.

Размер (B) - 25 мм.

Размер (D) - 12 мм.

Размер (E) - 37 мм.

Размер (F) - 10 мм.

Размер (G) - 18 мм.

Размер (H) - 70 мм.

Размер (K) - 22 мм.

Размер (L) - 35,7

Размер (M) - 89 мм.

Размер (R) - 44 мм.

Размер (T) - 56

Размер (W) - 57

Резьба (G) - R1/8“

Масса - 1,17 Кг

Количество дорожек качения - 1

Уплотнение - Есть

Цены указаны ознакомительные, для уточнения цены и наличия просим связаться с нами по телефону, или отправить заявку на почту - sales@specprompodshipnik.ru или по тел.: +7(499) 369-70-54

Возврат к списку