Подшипник PTUE20 (INA)

Подшипник PTUE20 (INA)

Технические характеристики

Обозначение : PTUE20

Производитель : INA

Диаметр внутренний, мм : 20

Технические данные из каталога производителя :

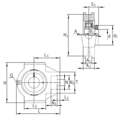
Внутренний диаметр (d) - 20 мм.

Размер (S1) - 23,5

Резьба (Q) - Rp1/8

Размер (L2) - 9

Размер (L3) - 50

Размер (d3) - 33 мм.

Размер (A) - 37 мм.

Размер (A1) - 12 мм.

Размер (B1) - 31 мм.

Размер (H) - 90 мм.

Размер (H1) - 76 мм.

Размер (L) - 94,5

Размер (L1) - 60 мм.

Размер (N) - 19 мм.

Размер (N1) - 18 мм.

Размер (T) - 51

Размер (A2) - 25

Размер (N2) - 32

Масса - 0,83 Кг

Грузоподъемность динамическая (C) - 12,8 кН

Грузоподъемность статическая (C0) - 6,6 кН

Количество дорожек качения - 1

Уплотнение - Есть

Цены указаны ознакомительные, для уточнения цены и наличия просим связаться с нами по телефону, или отправить заявку на почту - sales@specprompodshipnik.ru или по тел.: +7(499) 369-70-54

Возврат к списку