Подшипник PSHEY60-N (INA)

Подшипник PSHEY60-N (INA)

Технические характеристики

Обозначение : PSHEY60-N

Производитель : INA

Диаметр внутренний, мм : 60

Технические данные из каталога производителя :

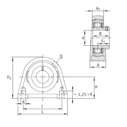
Внутренний диаметр (d) - 60 мм.

Резьба (Q) - Rp1/8

Резьба (K) - М16

Размер (A) - 60 мм.

Размер (A1) - 42 мм.

Размер (B) - 47 мм.

Размер (H) - 69,9 мм.

Размер (H2) - 140 мм.

Размер (J) - 118 мм.

Размер (L) - 150

Размер (S) - 34 мм.

Масса - 3,6 Кг

Грузоподъемность динамическая (C) - 52 кН

Грузоподъемность статическая (C0) - 36 кН

Количество дорожек качения - 1

Уплотнение - Есть

Цены указаны ознакомительные, для уточнения цены и наличия просим связаться с нами по телефону, или отправить заявку на почту - sales@specprompodshipnik.ru или по тел.: +7(499) 369-70-54

Возврат к списку