Подшипник PSHEY30-N (NKE)

Подшипник PSHEY30-N (NKE)

Технические характеристики

Обозначение : PSHEY30-N

Производитель : NKE

Диаметр внутренний, мм : 30

Высота, мм : 40

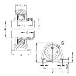
Технические данные из каталога производителя :

Внутренний диаметр (d) - 30 мм.

Размер (O) - 21

Размер (A) - 42,9 мм.

Размер (B) - 40 мм.

Размер (B1) - 25 мм.

Размер (H) - 82 мм.

Размер (L) - 30

Размер (M) - 76,2 мм.

Размер (W) - 98

Резьба (G) - R1/8“

Масса - 0,99 Кг

Резьба - M10

Количество дорожек качения - 1

Уплотнение - Есть

Цены указаны ознакомительные, для уточнения цены и наличия просим связаться с нами по телефону, или отправить заявку на почту - sales@specprompodshipnik.ru или по тел.: +7(499) 369-70-54

Возврат к списку