Подшипник PSHEY25-N (INA)

Подшипник PSHEY25-N (INA)

Технические характеристики

Обозначение : PSHEY25-N

Производитель : INA

Диаметр внутренний, мм : 25

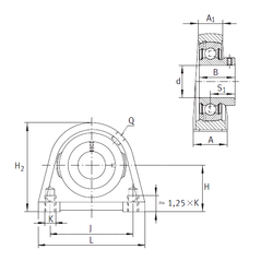
Технические данные из каталога производителя :

Внутренний диаметр (d) - 25 мм.

Резьба (Q) - Rp1/8

Резьба (K) - М10

Размер (A) - 36 мм.

Размер (A1) - 21 мм.

Размер (B) - 27 мм.

Размер (H) - 36,5 мм.

Размер (H2) - 70 мм.

Размер (J) - 50,8 мм.

Размер (L) - 70

Размер (S) - 19,5 мм.

Масса - 0,57 Кг

Грузоподъемность динамическая (C) - 14 кН

Грузоподъемность статическая (C0) - 7,8 кН

Количество дорожек качения - 1

Уплотнение - Есть

Цены указаны ознакомительные, для уточнения цены и наличия просим связаться с нами по телефону, или отправить заявку на почту - sales@specprompodshipnik.ru или по тел.: +7(499) 369-70-54

Возврат к списку