Подшипник PSHEY15 (INA)

Подшипник PSHEY15 (INA)

Технические характеристики

Обозначение : PSHEY15

Производитель : INA

Диаметр внутренний, мм : 15

Технические данные из каталога производителя :

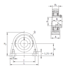
Внутренний диаметр (d) - 15 мм.

Резьба (Q) - М6

Резьба (K) - М8

Размер (A) - 30 мм.

Размер (A1) - 18 мм.

Размер (B) - 22 мм.

Размер (H) - 30,2 мм.

Размер (H2) - 57 мм.

Размер (J) - 47 мм.

Размер (L) - 63

Размер (S) - 16 мм.

Масса - 0,41 Кг

Грузоподъемность динамическая (C) - 9,8 кН

Грузоподъемность статическая (C0) - 4,75 кН

Количество дорожек качения - 1

Уплотнение - Есть

Цены указаны ознакомительные, для уточнения цены и наличия просим связаться с нами по телефону, или отправить заявку на почту - sales@specprompodshipnik.ru или по тел.: +7(499) 369-70-54

Возврат к списку