Подшипник PSHE40-N (INA)

Подшипник PSHE40-N (INA)

Технические характеристики

Обозначение : PSHE40-N

Производитель : INA

Диаметр внутренний, мм : 40

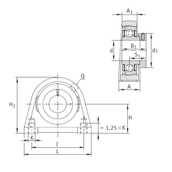
Технические данные из каталога производителя :

Внутренний диаметр (d) - 40 мм.

Резьба (Q) - Rp1/8

Резьба (K) - М12

Размер (d3) - 58 мм.

Размер (A) - 48 мм.

Размер (A1) - 30 мм.

Размер (B1) - 43,8 мм.

Размер (H) - 49,2 мм.

Размер (H2) - 99 мм.

Размер (J) - 88,9 мм.

Размер (L) - 116

Размер (S) - 32,7 мм.

Масса - 1,84 Кг

Грузоподъемность динамическая (C) - 32,5 кН

Грузоподъемность статическая (C0) - 19,8 кН

Количество дорожек качения - 1

Уплотнение - Есть

Цены указаны ознакомительные, для уточнения цены и наличия просим связаться с нами по телефону, или отправить заявку на почту - sales@specprompodshipnik.ru или по тел.: +7(499) 369-70-54

Возврат к списку