Подшипник PSFT25 (INA)

Подшипник PSFT25 (INA)

Технические характеристики

Обозначение : PSFT25

Производитель : INA

Диаметр внутренний, мм : 25

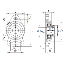
Технические данные из каталога производителя :

Внутренний диаметр (d) - 25 мм.

Размер (V) - 70

Размер (U) - 36

Резьба (Q) - Rp1/8

Размер (d3) - 37,5 мм.

Размер (A) - 20 мм.

Размер (A1) - 11 мм.

Размер (B1) - 31 мм.

Размер (J) - 99 мм.

Размер (L) - 124

Размер (N) - 11,5 мм.

Размер (N1) - 37,5 мм.

Размер (W) - 63

Размер (A2) - 12,5

Масса - 0,52 Кг

Грузоподъемность динамическая (C) - 14 кН

Грузоподъемность статическая (C0) - 7,8 кН

Количество дорожек качения - 1

Уплотнение - Есть

Цены указаны ознакомительные, для уточнения цены и наличия просим связаться с нами по телефону, или отправить заявку на почту - sales@specprompodshipnik.ru или по тел.: +7(499) 369-70-54

Возврат к списку