Подшипник PMEY50-N (NKE)

Подшипник PMEY50-N (NKE)

Технические характеристики

Обозначение : PMEY50-N

Производитель : NKE

Диаметр внутренний, мм : 50

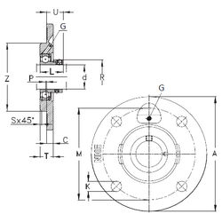
Технические данные из каталога производителя :

Внутренний диаметр (d) - 50 мм.

Размер (P) - 1

Размер (U) - 31

Размер (K) - 14

Размер (Z) - 110

Размер (A) - 165 мм.

Размер (C) - 13 мм.

Размер (L) - 43

Размер (M) - 135 мм.

Размер (S) - 3 мм.

Размер (T) - 25

Резьба (G) - R1/8“

Масса - 2,15 Кг

Количество дорожек качения - 1

Уплотнение - Есть

Цены указаны ознакомительные, для уточнения цены и наличия просим связаться с нами по телефону, или отправить заявку на почту - sales@specprompodshipnik.ru или по тел.: +7(499) 369-70-54

Возврат к списку