Подшипник PMEY45 (NKE)

Подшипник PMEY45 (NKE)

Технические характеристики

Обозначение : PMEY45

Производитель : NKE

Диаметр внутренний, мм : 45

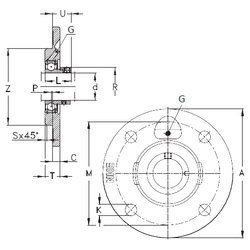
Технические данные из каталога производителя :

Внутренний диаметр (d) - 45 мм.

Размер (P) - 2

Размер (U) - 28,5

Размер (K) - 14

Размер (Z) - 105

Размер (A) - 155 мм.

Размер (C) - 12 мм.

Размер (L) - 41,5

Размер (M) - 130 мм.

Размер (S) - 2 мм.

Размер (T) - 25

Резьба (G) - M6

Масса - 1,79 Кг

Количество дорожек качения - 1

Уплотнение - Есть

Цены указаны ознакомительные, для уточнения цены и наличия просим связаться с нами по телефону, или отправить заявку на почту - sales@specprompodshipnik.ru или по тел.: +7(499) 369-70-54

Возврат к списку