Подшипник PME35-N (NKE)

Подшипник PME35-N (NKE)

Технические характеристики

Обозначение : PME35-N

Производитель : NKE

Диаметр внутренний, мм : 35

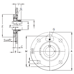
Технические данные из каталога производителя :

Внутренний диаметр (d) - 35 мм.

Размер (P) - 1

Размер (U) - 28,4

Размер (K) - 11,5

Размер (Z) - 90

Размер (A) - 135 мм.

Размер (C) - 10 мм.

Размер (L) - 38,9

Размер (M) - 110 мм.

Размер (R) - 51 мм.

Размер (S) - 2 мм.

Размер (T) - 20,5

Резьба (G) - M6

Масса - 1,27 Кг

Количество дорожек качения - 1

Уплотнение - Есть

Цены указаны ознакомительные, для уточнения цены и наличия просим связаться с нами по телефону, или отправить заявку на почту - sales@specprompodshipnik.ru или по тел.: +7(499) 369-70-54

Возврат к списку