Подшипник PME25-N (INA)

Подшипник PME25-N (INA)

Технические характеристики

Обозначение : PME25-N

Производитель : INA

Диаметр внутренний, мм : 25

Технические данные из каталога производителя :

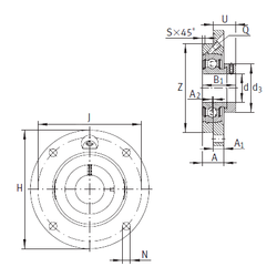
Внутренний диаметр (d) - 25 мм.

Размер (U) - 21

Резьба (Q) - М6

Размер (Z) - 70

Размер (d3) - 37,5 мм.

Размер (A) - 19 мм.

Размер (A1) - 9 мм.

Размер (B1) - 31 мм.

Размер (H) - 115 мм.

Размер (J) - 90 мм.

Размер (N) - 9 мм.

Размер (S) - 2 мм.

Размер (A2) - 2,5

Масса - 0,73 Кг

Грузоподъемность динамическая (C) - 14 кН

Грузоподъемность статическая (C0) - 7,8 кН

Количество дорожек качения - 1

Уплотнение - Есть

Цены указаны ознакомительные, для уточнения цены и наличия просим связаться с нами по телефону, или отправить заявку на почту - sales@specprompodshipnik.ru или по тел.: +7(499) 369-70-54

Возврат к списку