Подшипник PME20-N (NKE)

Подшипник PME20-N (NKE)

Технические характеристики

Обозначение : PME20-N

Производитель : NKE

Диаметр внутренний, мм : 20

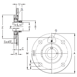
Технические данные из каталога производителя :

Внутренний диаметр (d) - 20 мм.

Размер (P) - 2

Размер (U) - 21,5

Размер (K) - 9

Размер (Z) - 62

Размер (A) - 100 мм.

Размер (C) - 8 мм.

Размер (L) - 31

Размер (M) - 78 мм.

Размер (R) - 33 мм.

Размер (S) - 2 мм.

Размер (T) - 17

Резьба (G) - M6

Масса - 0,53 Кг

Количество дорожек качения - 1

Уплотнение - Есть

Цены указаны ознакомительные, для уточнения цены и наличия просим связаться с нами по телефону, или отправить заявку на почту - sales@specprompodshipnik.ru или по тел.: +7(499) 369-70-54

Возврат к списку