Подшипник PHEY45 (INA)

Подшипник PHEY45 (INA)

Технические характеристики

Обозначение : PHEY45

Производитель : INA

Диаметр внутренний, мм : 45

Технические данные из каталога производителя :

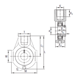
Внутренний диаметр (d) - 45 мм.

Размер (S1) - 30,5

Размер (K1) - 24

Резьба (Q) - Rp1/8

Резьба (K) - M24

Размер (B) - 41,5 мм.

Размер (L) - 145

Размер (L1) - 90 мм.

Размер (M) - 110 мм.

Размер (T) - 40

Размер (W) - 45

Размер (A2) - 40

Масса - 1,91 Кг

Грузоподъемность динамическая (C) - 32,5 кН

Грузоподъемность статическая (C0) - 20,4 кН

Количество дорожек качения - 1

Уплотнение - Есть

Цены указаны ознакомительные, для уточнения цены и наличия просим связаться с нами по телефону, или отправить заявку на почту - sales@specprompodshipnik.ru или по тел.: +7(499) 369-70-54

Возврат к списку