Подшипник PHE20 (INA)

Технические характеристики

Обозначение : PHE20

Производитель : INA

Диаметр внутренний, мм : 20

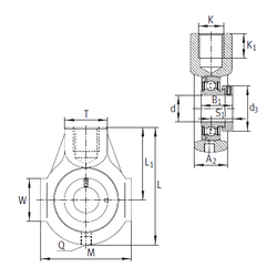
Технические данные из каталога производителя :

Внутренний диаметр (d) - 20 мм.

Размер (S1) - 23,5

Размер (K1) - 21

Резьба (Q) - Rp1/8

Резьба (K) - М16

Размер (d3) - 33 мм.

Размер (B1) - 31 мм.

Размер (L) - 91

Размер (L1) - 58 мм.

Размер (M) - 65 мм.

Размер (T) - 30

Размер (W) - 38

Размер (A2) - 25

Масса - 0,54 Кг

Грузоподъемность динамическая (C) - 12,8 кН

Грузоподъемность статическая (C0) - 6,6 кН

Количество дорожек качения - 1

Уплотнение - Есть

Цены указаны ознакомительные, для уточнения цены и наличия просим связаться с нами по телефону, или отправить заявку на почту - sales@specprompodshipnik.ru или по тел.: +7(499) 369-70-54

Возврат к списку