Подшипник PFT 35 TR (SKF)

Подшипник PFT 35 TR (SKF)

Технические характеристики

Обозначение : PFT 35 TR

Производитель : SKF

Диаметр внутренний, мм : 35

Высота, мм : 42,9

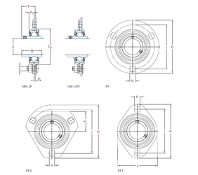
Технические данные из каталога производителя :

Внутренний диаметр (d) - 35 мм.

Размер (Dа) - 81

Размер (A1) - 2,5 мм.

Размер (B) - 42,9 мм.

Размер (G) - 10 мм.

Размер (H) - 122 мм.

Размер (H1) - – мм.

Размер (J) - 100 мм.

Размер (L) - 94

Размер (N) - 11 мм.

Размер (T) - 27,9

Размер (A2) - 10

Масса - 0,65 Кг

Грузоподъемность динамическая (C) - 25,5 кН

Грузоподъемность статическая (C0) - 15,3 кН

Граничная нагрузка по усталости (Pu) - 0,655

Количество дорожек качения - 1

Уплотнение - Есть

Цены указаны ознакомительные, для уточнения цены и наличия просим связаться с нами по телефону, или отправить заявку на почту - sales@specprompodshipnik.ru или по тел.: +7(499) 369-70-54

Возврат к списку