Подшипник PFT 15 TF (SKF)

Подшипник PFT 15 TF (SKF)

Технические характеристики

Обозначение : PFT 15 TF

Производитель : SKF

Диаметр внутренний, мм : 15

Высота, мм : 27,4

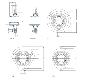
Технические данные из каталога производителя :

Внутренний диаметр (d) - 15 мм.

Размер (Dа) - 49

Размер (A1) - 2 мм.

Размер (B) - 27,4 мм.

Размер (G) - 6 мм.

Размер (H) - 81 мм.

Размер (H1) - – мм.

Размер (J) - 63 мм.

Размер (L) - 59

Размер (N) - 7,1 мм.

Размер (T) - 17,9

Размер (A2) - 7

Масса - 0,18 Кг

Грузоподъемность динамическая (C) - 9,56 кН

Грузоподъемность статическая (C0) - 4,75 кН

Граничная нагрузка по усталости (Pu) - 0,2

Количество дорожек качения - 1

Уплотнение - Есть

Цены указаны ознакомительные, для уточнения цены и наличия просим связаться с нами по телефону, или отправить заявку на почту - sales@specprompodshipnik.ru или по тел.: +7(499) 369-70-54

Возврат к списку