Подшипник PFD 40 WF (SKF)

Подшипник PFD 40 WF (SKF)

Технические характеристики

Обозначение : PFD 40 WF

Производитель : SKF

Диаметр внутренний, мм : 40

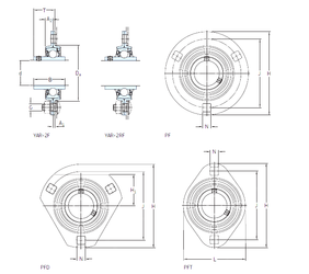
Технические данные из каталога производителя :

Внутренний диаметр (d) - 40 мм.

Размер (Dа) - 91

Размер (A1) - 3,5 мм.

Размер (B1) - 56,3 мм.

Размер (G) - 12 мм.

Размер (H) - 148 мм.

Размер (H1) - 53 мм.

Размер (J) - 119 мм.

Размер (L) - –

Размер (N) - 13,5 мм.

Размер (T) - 38,4

Размер (A2) - 10

Масса - 1,15 Кг

Грузоподъемность динамическая (C) - 30,7 кН

Грузоподъемность статическая (C0) - 19 кН

Граничная нагрузка по усталости (Pu) - 0,8

Количество дорожек качения - 1

Уплотнение - Есть

Цены указаны ознакомительные, для уточнения цены и наличия просим связаться с нами по телефону, или отправить заявку на почту - sales@specprompodshipnik.ru или по тел.: +7(499) 369-70-54

Возврат к списку