Подшипник PFD 3/4 TR (SKF)

Подшипник PFD 3/4 TR (SKF)

Технические характеристики

Обозначение : PFD 3/4 TR

Производитель : SKF

Диаметр внутренний, мм : 19.05

Высота, мм : 31

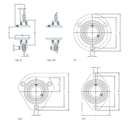
Технические данные из каталога производителя :

Внутренний диаметр (d) - 19.05 мм.

Размер (Dа) - 55

Размер (A1) - 2 мм.

Размер (B) - 31 мм.

Размер (G) - 8 мм.

Размер (H) - 91 мм.

Размер (H1) - 32 мм.

Размер (J) - 71,5 мм.

Размер (L) - –

Размер (N) - 8,7 мм.

Размер (T) - 20,3

Размер (A2) - 8

Масса - 0,24 Кг

Грузоподъемность динамическая (C) - 12,7 кН

Грузоподъемность статическая (C0) - 6,55 кН

Граничная нагрузка по усталости (Pu) - 0,28

Количество дорожек качения - 1

Уплотнение - Есть

Цены указаны ознакомительные, для уточнения цены и наличия просим связаться с нами по телефону, или отправить заявку на почту - sales@specprompodshipnik.ru или по тел.: +7(499) 369-70-54

Возврат к списку