Подшипник PFD 25 WF (SKF)

Подшипник PFD 25 WF (SKF)

Технические характеристики

Обозначение : PFD 25 WF

Производитель : SKF

Диаметр внутренний, мм : 25

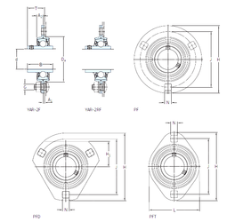
Технические данные из каталога производителя :

Внутренний диаметр (d) - 25 мм.

Размер (Dа) - 60

Размер (A1) - 2 мм.

Размер (B1) - 44,4 мм.

Размер (G) - 8 мм.

Размер (H) - 95 мм.

Размер (H1) - 34 мм.

Размер (J) - 76 мм.

Размер (L) - –

Размер (N) - 8,7 мм.

Размер (T) - 28,9

Размер (A2) - 9

Масса - 0,35 Кг

Грузоподъемность динамическая (C) - 14 кН

Грузоподъемность статическая (C0) - 7,8 кН

Граничная нагрузка по усталости (Pu) - 0,335

Количество дорожек качения - 1

Уплотнение - Есть

Цены указаны ознакомительные, для уточнения цены и наличия просим связаться с нами по телефону, или отправить заявку на почту - sales@specprompodshipnik.ru или по тел.: +7(499) 369-70-54

Возврат к списку