Подшипник PF 50 RM (SKF)

Подшипник PF 50 RM (SKF)

Технические характеристики

Обозначение : PF 50 RM

Производитель : SKF

Диаметр внутренний, мм : 50

Высота, мм : 38,9

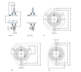
Технические данные из каталога производителя :

Внутренний диаметр (d) - 50 мм.

Размер (Dа) - 102

Размер (A1) - 4 мм.

Размер (B) - 38,9 мм.

Размер (G) - 12 мм.

Размер (H) - 155 мм.

Размер (H1) - – мм.

Размер (J) - 127 мм.

Размер (L) - –

Размер (N) - 13,5 мм.

Размер (T) - 31,6

Размер (A2) - 11

Масса - 1,4 Кг

Грузоподъемность динамическая (C) - 35,1 кН

Грузоподъемность статическая (C0) - 23,2 кН

Граничная нагрузка по усталости (Pu) - 0,98

Количество дорожек качения - 1

Уплотнение - Есть

Цены указаны ознакомительные, для уточнения цены и наличия просим связаться с нами по телефону, или отправить заявку на почту - sales@specprompodshipnik.ru или по тел.: +7(499) 369-70-54

Возврат к списку