Подшипник PF 30 FM (SKF)

Подшипник PF 30 FM (SKF)

Технические характеристики

Обозначение : PF 30 FM

Производитель : SKF

Диаметр внутренний, мм : 30

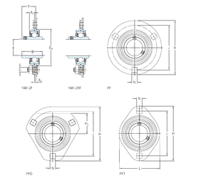
Технические данные из каталога производителя :

Внутренний диаметр (d) - 30 мм.

Размер (Dа) - 71

Размер (A1) - 2,5 мм.

Размер (B1) - 35,7 мм.

Размер (G) - 10 мм.

Размер (H) - 112 мм.

Размер (H1) - – мм.

Размер (J) - 90,5 мм.

Размер (L) - –

Размер (N) - 10,5 мм.

Размер (T) - 29,2

Размер (A2) - 9,5

Масса - 0,56 Кг

Грузоподъемность динамическая (C) - 19,5 кН

Грузоподъемность статическая (C0) - 11,2 кН

Граничная нагрузка по усталости (Pu) - 0,475

Количество дорожек качения - 1

Уплотнение - Есть

Цены указаны ознакомительные, для уточнения цены и наличия просим связаться с нами по телефону, или отправить заявку на почту - sales@specprompodshipnik.ru или по тел.: +7(499) 369-70-54

Возврат к списку