Подшипник PCSLT30 (INA)

Подшипник PCSLT30 (INA)

Технические характеристики

Обозначение : PCSLT30

Производитель : INA

Диаметр внутренний, мм : 30

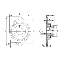
Технические данные из каталога производителя :

Внутренний диаметр (d) - 30 мм.

Размер (S1) - 3,5

Размер (U) - 29

Размер (d3) - 42,5 мм.

Размер (A) - 16 мм.

Размер (B1) - 26,5 мм.

Размер (H) - 112,5 мм.

Размер (J) - 90,5 мм.

Размер (L) - 84

Размер (N) - 11,5 мм.

Размер (S) - 2,5 мм.

Размер (A2) - 9

Масса - 0,3 Кг

Количество дорожек качения - 1

Уплотнение - Есть

Цены указаны ознакомительные, для уточнения цены и наличия просим связаться с нами по телефону, или отправить заявку на почту - sales@specprompodshipnik.ru или по тел.: +7(499) 369-70-54

Возврат к списку