Подшипник PCSLT25 (INA)

Подшипник PCSLT25 (INA)

Технические характеристики

Обозначение : PCSLT25

Производитель : INA

Диаметр внутренний, мм : 25

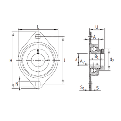
Технические данные из каталога производителя :

Внутренний диаметр (d) - 25 мм.

Размер (S1) - 3

Размер (U) - 28

Размер (d3) - 36 мм.

Размер (A) - 16 мм.

Размер (B1) - 25,4 мм.

Размер (H) - 95,2 мм.

Размер (J) - 76,2 мм.

Размер (L) - 71

Размер (N) - 8,7 мм.

Размер (S) - 2 мм.

Размер (A2) - 8,5

Масса - 0,25 Кг

Количество дорожек качения - 1

Уплотнение - Есть

Цены указаны ознакомительные, для уточнения цены и наличия просим связаться с нами по телефону, или отправить заявку на почту - sales@specprompodshipnik.ru или по тел.: +7(499) 369-70-54

Возврат к списку