Подшипник PCJT25-N (NKE)

Подшипник PCJT25-N (NKE)

Технические характеристики

Обозначение : PCJT25-N

Производитель : NKE

Диаметр внутренний, мм : 25

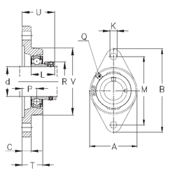
Технические данные из каталога производителя :

Внутренний диаметр (d) - 25 мм.

Размер (P) - 19

Размер (V) - 70

Размер (U) - 42,5

Размер (K) - 11,5

Размер (A) - 70 мм.

Размер (B) - 124 мм.

Размер (C) - 11 мм.

Размер (L) - 31

Размер (M) - 99 мм.

Размер (R) - 37,5 мм.

Размер (T) - 29

Резьба (G) - R1/8“

Масса - 0,56 Кг

Количество дорожек качения - 1

Уплотнение - Есть

Цены указаны ознакомительные, для уточнения цены и наличия просим связаться с нами по телефону, или отправить заявку на почту - sales@specprompodshipnik.ru или по тел.: +7(499) 369-70-54

Возврат к списку