Подшипник PCJ30-N (INA)

Подшипник PCJ30-N (INA)

Технические характеристики

Обозначение : PCJ30-N

Производитель : INA

Диаметр внутренний, мм : 30

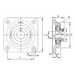
Технические данные из каталога производителя :

Внутренний диаметр (d) - 30 мм.

Размер (V) - 85

Размер (U) - 46,8

Резьба (Q) - Rp1/8

Размер (d3) - 44 мм.

Размер (A) - 29 мм.

Размер (A1) - 12 мм.

Размер (B1) - 35,8 мм.

Размер (J) - 82,5 мм.

Размер (L) - 108

Размер (N) - 11,5 мм.

Размер (A2) - 20

Масса - 1,11 Кг

Грузоподъемность динамическая (C) - 19,5 кН

Грузоподъемность статическая (C0) - 11,3 кН

Количество дорожек качения - 1

Уплотнение - Есть

Цены указаны ознакомительные, для уточнения цены и наличия просим связаться с нами по телефону, или отправить заявку на почту - sales@specprompodshipnik.ru или по тел.: +7(499) 369-70-54

Возврат к списку