Подшипник PCJ2-3/16 (INA)

Подшипник PCJ2-3/16 (INA)

Технические характеристики

Обозначение : PCJ2-3/16

Производитель : INA

Диаметр внутренний, мм : 55,563

Технические данные из каталога производителя :

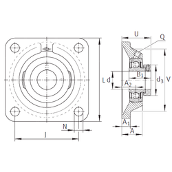
Внутренний диаметр (d) - 55,563 мм.

Размер (V) - 137,008

Размер (U) - 67,488

Резьба (Q) - 1/8 NPT

Размер (d3) - 75,997 мм.

Размер (A) - 46,99 мм.

Размер (A1) - 16,993 мм.

Размер (B) - 48,489 мм.

Размер (J) - 129,997 мм.

Размер (L) - 162,509

Размер (N) - 16,993 мм.

Размер (A2) - 31,013

Масса - 3,406 Кг

Количество дорожек качения - 1

Уплотнение - Есть

Цены указаны ознакомительные, для уточнения цены и наличия просим связаться с нами по телефону, или отправить заявку на почту - sales@specprompodshipnik.ru или по тел.: +7(499) 369-70-54

Возврат к списку