Подшипник PCJ1-3/4 (INA)

Подшипник PCJ1-3/4 (INA)

Технические характеристики

Обозначение : PCJ1-3/4

Производитель : INA

Диаметр внутренний, мм : 44,45

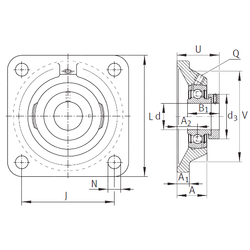
Технические данные из каталога производителя :

Внутренний диаметр (d) - 44,45 мм.

Размер (V) - 121,006

Размер (U) - 56,794

Резьба (Q) - 1/8 NPT

Размер (d3) - 62,992 мм.

Размер (A) - 37,998 мм.

Размер (A1) - 14,503 мм.

Размер (B) - 43,713 мм.

Размер (J) - 105,004 мм.

Размер (L) - 137,49

Размер (N) - 13,995 мм.

Размер (A2) - 24,003

Масса - 2,341 Кг

Количество дорожек качения - 1

Уплотнение - Есть

Цены указаны ознакомительные, для уточнения цены и наличия просим связаться с нами по телефону, или отправить заявку на почту - sales@specprompodshipnik.ru или по тел.: +7(499) 369-70-54

Возврат к списку