Подшипник PCFTR40 (INA)

Подшипник PCFTR40 (INA)

Технические характеристики

Обозначение : PCFTR40

Производитель : INA

Диаметр внутренний, мм : 40

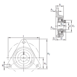
Технические данные из каталога производителя :

Внутренний диаметр (d) - 40 мм.

Размер (U) - 51

Резьба (Q) - Rp1/8

Размер (d3) - 58 мм.

Размер (A) - 30 мм.

Размер (A1) - 16 мм.

Размер (B1) - 43,8 мм.

Размер (H1) - 51 мм.

Размер (H2) - 137 мм.

Размер (J) - 140 мм.

Размер (N) - 14 мм.

Размер (A2) - 18,3

Масса - 1,83 Кг

Грузоподъемность динамическая (C) - 32,5 кН

Грузоподъемность статическая (C0) - 19,8 кН

Количество дорожек качения - 1

Уплотнение - Есть

Цены указаны ознакомительные, для уточнения цены и наличия просим связаться с нами по телефону, или отправить заявку на почту - sales@specprompodshipnik.ru или по тел.: +7(499) 369-70-54

Возврат к списку