Подшипник PCFT50 (NKE)

Подшипник PCFT50 (NKE)

Технические характеристики

Обозначение : PCFT50

Производитель : NKE

Диаметр внутренний, мм : 50

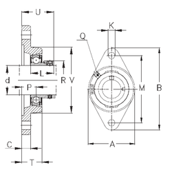
Технические данные из каталога производителя :

Внутренний диаметр (d) - 50 мм.

Размер (P) - 19,2

Размер (V) - 116

Размер (U) - 51,9

Размер (K) - 14

Размер (A) - 116 мм.

Размер (B) - 190 мм.

Размер (C) - 13 мм.

Размер (L) - 43,7

Размер (M) - 157 мм.

Размер (R) - 69 мм.

Размер (T) - 30,2

Резьба (G) - R1/8“

Масса - 1,82 Кг

Количество дорожек качения - 1

Уплотнение - Есть

Цены указаны ознакомительные, для уточнения цены и наличия просим связаться с нами по телефону, или отправить заявку на почту - sales@specprompodshipnik.ru или по тел.: +7(499) 369-70-54

Возврат к списку