Подшипник PCFT12 (INA)

Подшипник PCFT12 (INA)

Технические характеристики

Обозначение : PCFT12

Производитель : INA

Диаметр внутренний, мм : 12

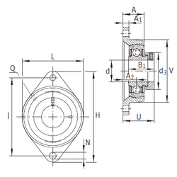
Технические данные из каталога производителя :

Внутренний диаметр (d) - 12 мм.

Размер (V) - 57

Размер (U) - 32,1

Резьба (Q) - М6

Размер (d3) - 28 мм.

Размер (A) - 18 мм.

Размер (A1) - 9,5 мм.

Размер (B1) - 28,6 мм.

Размер (H) - 99 мм.

Размер (J) - 76,5 мм.

Размер (L) - 57

Размер (N) - 11,5 мм.

Размер (A2) - 10

Масса - 0,39 Кг

Грузоподъемность динамическая (C) - 9,8 кН

Грузоподъемность статическая (C0) - 4,75 кН

Количество дорожек качения - 1

Уплотнение - Есть

Цены указаны ознакомительные, для уточнения цены и наличия просим связаться с нами по телефону, или отправить заявку на почту - sales@specprompodshipnik.ru или по тел.: +7(499) 369-70-54

Возврат к списку