Подшипник PCCJ40 (INA)

Подшипник PCCJ40 (INA)

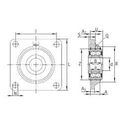
Технические характеристики

Обозначение : PCCJ40

Производитель : INA

Технические данные из каталога производителя :

Размер (U) - 33,7

Резьба (Q) - М6

Размер (Z) - 80

Размер (a) - 38,8 мм.

Размер (A) - 28 мм.

Размер (A1) - 14 мм.

Размер (B) - 38 мм.

Размер (H) - 40 мм.

Размер (J) - 101,5 мм.

Размер (L) - 130

Размер (N) - 14 мм.

Размер (R) - 98 мм.

Размер (S) - 3,2 мм.

Размер (A2) - 15

Масса - 1,8 Кг

Грузоподъемность динамическая (C) - 50 кН

Грузоподъемность статическая (C0) - 38 кН

Количество дорожек качения - 1

Уплотнение - Есть

Цены указаны ознакомительные, для уточнения цены и наличия просим связаться с нами по телефону, или отправить заявку на почту - sales@specprompodshipnik.ru или по тел.: +7(499) 369-70-54

Возврат к списку