Подшипник PBY30 (INA)

Технические характеристики

Обозначение : PBY30

Производитель : INA

Диаметр внутренний, мм : 30

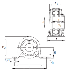
Технические данные из каталога производителя :

Внутренний диаметр (d) - 30 мм.

Размер (S1) - 21

Размер (A) - 38 мм.

Размер (A1) - 26,5 мм.

Размер (B) - 30 мм.

Размер (H) - 33,3 мм.

Размер (H1) - 4 мм.

Размер (H2) - 66,1 мм.

Размер (J) - 95 мм.

Размер (L) - 117,5

Размер (N) - 11,5 мм.

Масса - 0,4 Кг

Количество дорожек качения - 1

Уплотнение - Есть

Цены указаны ознакомительные, для уточнения цены и наличия просим связаться с нами по телефону, или отправить заявку на почту - sales@specprompodshipnik.ru или по тел.: +7(499) 369-70-54

Возврат к списку