Подшипник PBY20 (INA)

Технические характеристики

Обозначение : PBY20

Производитель : INA

Диаметр внутренний, мм : 20

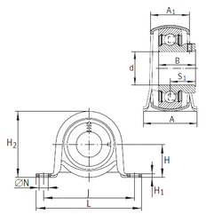
Технические данные из каталога производителя :

Внутренний диаметр (d) - 20 мм.

Размер (S1) - 18

Размер (A) - 31,8 мм.

Размер (A1) - 22,3 мм.

Размер (B) - 25 мм.

Размер (H) - 25,4 мм.

Размер (H1) - 3,3 мм.

Размер (H2) - 50,1 мм.

Размер (J) - 76 мм.

Размер (L) - 98,4

Размер (N) - 9,5 мм.

Масса - 0,22 Кг

Количество дорожек качения - 1

Уплотнение - Есть

Цены указаны ознакомительные, для уточнения цены и наличия просим связаться с нами по телефону, или отправить заявку на почту - sales@specprompodshipnik.ru или по тел.: +7(499) 369-70-54

Возврат к списку