Подшипник PBY12 (INA)

Технические характеристики

Обозначение : PBY12

Производитель : INA

Диаметр внутренний, мм : 12

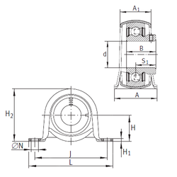
Технические данные из каталога производителя :

Внутренний диаметр (d) - 12 мм.

Размер (S1) - 16

Размер (A) - 25,4 мм.

Размер (A1) - 18,4 мм.

Размер (B) - 22 мм.

Размер (H) - 22,2 мм.

Размер (H1) - 2,6 мм.

Размер (H2) - 43,2 мм.

Размер (J) - 68 мм.

Размер (L) - 85,7

Размер (N) - 9,5 мм.

Масса - 0,15 Кг

Количество дорожек качения - 1

Уплотнение - Есть

Цены указаны ознакомительные, для уточнения цены и наличия просим связаться с нами по телефону, или отправить заявку на почту - sales@specprompodshipnik.ru или по тел.: +7(499) 369-70-54

Возврат к списку