Подшипник PBS40 (INA)

Технические характеристики

Обозначение : PBS40

Производитель : INA

Диаметр внутренний, мм : 40

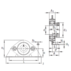
Технические данные из каталога производителя :

Внутренний диаметр (d) - 40 мм.

Размер (S1) - 32,7

Размер (P) - 40

Размер (d3) - 58 мм.

Размер (A) - 53,5 мм.

Размер (A1) - 23 мм.

Размер (B1) - 43,8 мм.

Размер (H) - 55 мм.

Размер (H1) - 4 мм.

Размер (H2) - 106 мм.

Размер (J) - 136,5 мм.

Размер (L) - 180

Размер (N) - 13,5 мм.

Размер (N1) - 8 мм.

Размер (S) - 25 мм.

Масса - 1,33 Кг

Количество дорожек качения - 1

Уплотнение - Есть

Цены указаны ознакомительные, для уточнения цены и наличия просим связаться с нами по телефону, или отправить заявку на почту - sales@specprompodshipnik.ru или по тел.: +7(499) 369-70-54

Возврат к списку