Подшипник PBS35 (INA)

Технические характеристики

Обозначение : PBS35

Производитель : INA

Диаметр внутренний, мм : 35

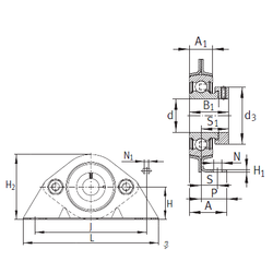
Технические данные из каталога производителя :

Внутренний диаметр (d) - 35 мм.

Размер (S1) - 29,4

Размер (P) - 35

Размер (d3) - 51 мм.

Размер (A) - 46,1 мм.

Размер (A1) - 22,2 мм.

Размер (B1) - 39 мм.

Размер (H) - 47,6 мм.

Размер (H1) - 4 мм.

Размер (H2) - 94,4 мм.

Размер (J) - 127 мм.

Размер (L) - 165

Размер (N) - 13,5 мм.

Размер (N1) - 8 мм.

Размер (S) - 20,7 мм.

Масса - 1,05 Кг

Количество дорожек качения - 1

Уплотнение - Есть

Цены указаны ознакомительные, для уточнения цены и наличия просим связаться с нами по телефону, или отправить заявку на почту - sales@specprompodshipnik.ru или по тел.: +7(499) 369-70-54

Возврат к списку