Подшипник PBS30 (INA)

Технические характеристики

Обозначение : PBS30

Производитель : INA

Диаметр внутренний, мм : 30

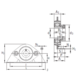
Технические данные из каталога производителя :

Внутренний диаметр (d) - 30 мм.

Размер (S1) - 26,7

Размер (P) - 30,2

Размер (d3) - 44 мм.

Размер (A) - 38,9 мм.

Размер (A1) - 17,4 мм.

Размер (B1) - 35,8 мм.

Размер (H) - 42,9 мм.

Размер (H1) - 3,4 мм.

Размер (H2) - 85 мм.

Размер (J) - 119 мм.

Размер (L) - 159

Размер (N) - 13,5 мм.

Размер (N1) - 8 мм.

Размер (S) - 16 мм.

Масса - 0,79 Кг

Количество дорожек качения - 1

Уплотнение - Есть

Цены указаны ознакомительные, для уточнения цены и наличия просим связаться с нами по телефону, или отправить заявку на почту - sales@specprompodshipnik.ru или по тел.: +7(499) 369-70-54

Возврат к списку