Подшипник PBS15 (INA)

Технические характеристики

Обозначение : PBS15

Производитель : INA

Диаметр внутренний, мм : 15

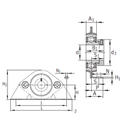
Технические данные из каталога производителя :

Внутренний диаметр (d) - 15 мм.

Размер (S1) - 22,1

Размер (P) - 25,4

Размер (d3) - 28 мм.

Размер (A) - 32,5 мм.

Размер (A1) - 14,2 мм.

Размер (B1) - 28,6 мм.

Размер (H) - 30,2 мм.

Размер (H1) - 2,6 мм.

Размер (H2) - 59,6 мм.

Размер (J) - 92 мм.

Размер (L) - 123,8

Размер (N) - 10,5 мм.

Размер (N1) - 5,6 мм.

Размер (S) - 15 мм.

Масса - 0,32 Кг

Количество дорожек качения - 1

Уплотнение - Есть

Цены указаны ознакомительные, для уточнения цены и наличия просим связаться с нами по телефону, или отправить заявку на почту - sales@specprompodshipnik.ru или по тел.: +7(499) 369-70-54

Возврат к списку