Подшипник PB25 (INA)

Технические характеристики

Обозначение : PB25

Производитель : INA

Диаметр внутренний, мм : 25

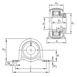
Технические данные из каталога производителя :

Внутренний диаметр (d) - 25 мм.

Размер (S1) - 23,5

Размер (d3) - 37,5 мм.

Размер (A) - 31,8 мм.

Размер (A1) - 23,5 мм.

Размер (B1) - 31 мм.

Размер (H) - 28,6 мм.

Размер (H1) - 4 мм.

Размер (H2) - 56,5 мм.

Размер (J) - 86 мм.

Размер (L) - 108

Размер (N) - 11,5 мм.

Масса - 0,3 Кг

Количество дорожек качения - 1

Уплотнение - Есть

Цены указаны ознакомительные, для уточнения цены и наличия просим связаться с нами по телефону, или отправить заявку на почту - sales@specprompodshipnik.ru или по тел.: +7(499) 369-70-54

Возврат к списку