Подшипник PASE60-N (NKE)

Подшипник PASE60-N (NKE)

Технические характеристики

Обозначение : PASE60-N

Производитель : NKE

Диаметр внутренний, мм : 60

Высота, мм : 60

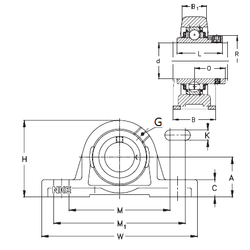
Технические данные из каталога производителя :

Внутренний диаметр (d) - 60 мм.

Размер (O) - 39,6

Размер (A) - 69,9 мм.

Размер (B) - 60 мм.

Размер (B1) - 42 мм.

Размер (C) - 25 мм.

Размер (H) - 140 мм.

Размер (K) - 18 мм.

Размер (L) - 53,1

Размер (M) - 180 мм.

Размер (M1) - 200 мм.

Размер (R) - 84 мм.

Размер (W) - 240

Резьба (G) - R1/8“

Масса - 4,35 Кг

Количество дорожек качения - 1

Уплотнение - Есть

Цены указаны ознакомительные, для уточнения цены и наличия просим связаться с нами по телефону, или отправить заявку на почту - sales@specprompodshipnik.ru или по тел.: +7(499) 369-70-54

Возврат к списку